Shaker Cinder-ACM8

In stock
SKU
SCI-ACM8
Contact Us
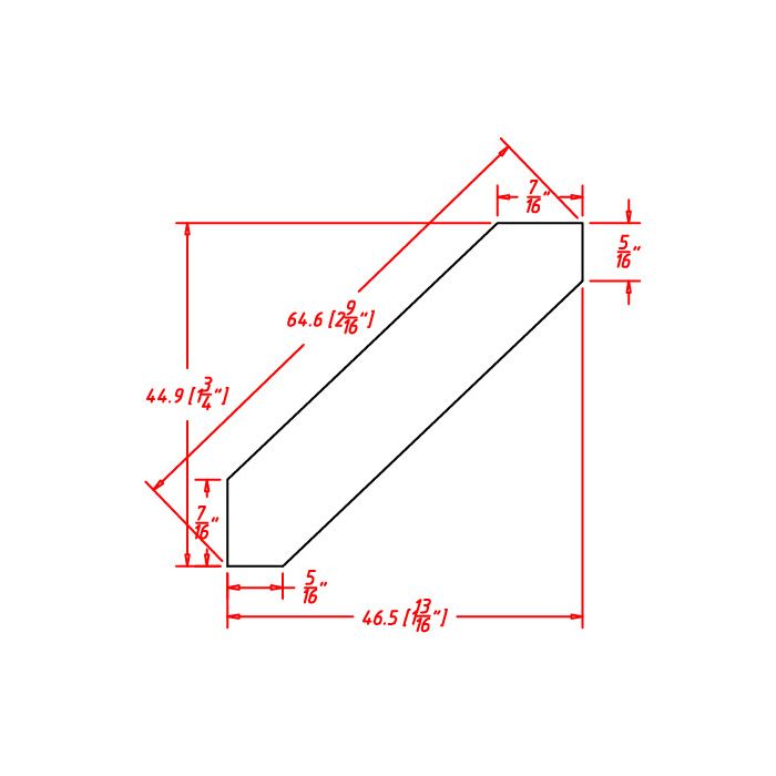
Shaker Cinder - Angle Crown Moulding - 1 3/4"D X 1 3/4"H X 96"W
More Information
Weight 1
Write Your Own Review
You're reviewing:Shaker Cinder-ACM8